|
设为主页
|
保存桌面
|
手机版
陕西泰开电气设备有限公司
12-40.5KV户内外高压断路器,永磁真空断路器,智能、预付费、小型化、双电源、看门...
网站首页
公司介绍
供应产品
采购清单
新闻中心
荣誉资质
联系方式
新闻中心
暂无新闻
产品分类
江苏人民厂家直销熔断器式刀开关HR3\江苏人民电器
泰开电气RW3.7.10.11.20-10系列跌落式开关\陕西泰开
泰开电气HRW10-40.5户外跌落式熔断器\陕西泰开
泰开电气 GW13系列中性点隔离开关\陕西泰开
泰开电气 GN8-6/10T型户内隔离开关\陕西泰开
泰开电气 GN6-6/10T型户内隔离开关\陕西高开
泰开电气 GN22-12(C)型隔离开关\陕西泰开
泰开电气 GN2隔离开关(配用CS6-2手动操作)\陕西泰开
泰开电气 GN24-12D带接地隔离开关\陕西泰开
泰开电气 GN2-35T/400,600型户内高压隔离开关\陕西泰开
站内搜索
供应产品
采购清单
新闻中心
您当前的位置:
首页
»
供应产品
» 泰开电气 GN19-12C户内高压隔离开关\陕西泰凯
泰开电气 GN19-12C户内高压隔离开关\陕西泰凯
点击图片查看原图
产品:
浏览次数:605
泰开电气 GN19-12C户内高压隔离开关\陕西泰凯
单价:
面议
最小起订量:
供货总量:
发货期限:
自买家付款之日起
天内发货
有效期至:
长期有效
最后更新:
2017-08-01 15:48
详细信息
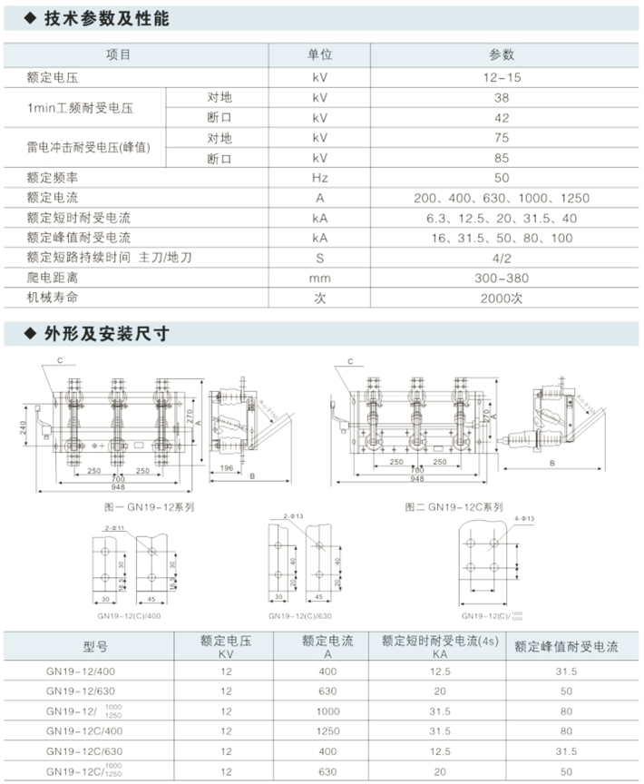
品牌:陕西泰开
额定电压:12KV
型号:GN系列
产品描述
询价单
共
0
条
相关评论
©2026
陕西泰开电气设备有限公司
版权所有 技术支持:
环球电气网
访问量:10048
管理入口